МС-ПИ повторитель интерфейса (10 шт/уп) Рубеж; для использования с приборами «Рубеж-2АМ», «Рубеж 2ОП», «Рубеж-4А», ППКПУ серии «Водолей»; удлинение интерфейса RS-485 и обмен информацией между ПкП и компьютером; работа перекрестных связей в одной сети RS-485; светодиодная индикация; 7 модулей в сети; 10- 14 В; 0 +40 °С; 125х78х37 мм; 200 г.
Подробности
8 574 руб./шт
Есть в наличии в 2 магазинах
НовосибирскБарнаул
В корзину
Купить в 1 клик
Рассчитать доставку
Хочу в подарок
Самовывоз - бесплатно; перемещение между филиалами - бесплатно; до терминала ТК довезём - бесплатно.
Цена действительна только для интернет-магазина и может отличаться от цен в розничных магазинах
Описание:
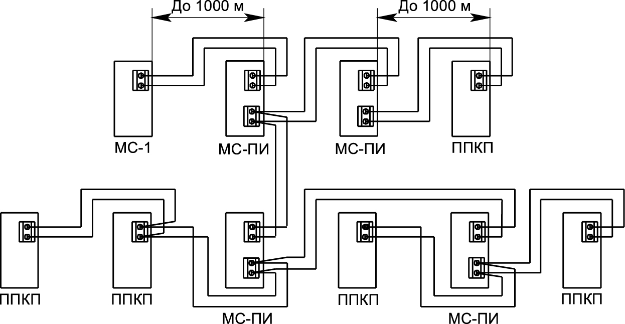
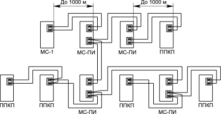
Повторитель интерфейса МС-ПИ представляет собой цифровое электронное устройство, предназначенное для увеличения длины линии интерфейса RS-485 с помощью повторения принимаемого сигнала. Повторитель предназначен для использования с приборами «Рубеж-2АМ», «Рубеж 2ОП», «Рубеж-4А», ППКПУ серии «Водолей» или приборами других производителей, осуществляющими обмен по интерфейсу RS-485.
Повторитель интерфейса МС-ПИ обеспечивает:
удлинение интерфейса RS-485 и обмен информацией между приемно-контрольными приборами и компьютером, находящихся в разных частях одного интерфейса;
работу перекрестных связей между приемно-контрольными приборами, находящимися в одной сети RS-485;
cветодиодную индикацию наличия обмена в линии;
протяженность линии интерфейса RS-485 непосредственно после повторителя интерфейса не более 1000 м.
время технической готовности повторителя к работе после включения питания – не более 1 с.
На лицевой стороне прибора расположены светодиодные индикаторы, предназначенные для индикации текущего состояния повторителя.
Светодиодный индикатор СВЯЗЬ:
при подключении USB мигает с частотой 1 Гц;
при записи параметров через USB мигает с частотой 5 Гц;
при подключении питания светится постоянно.
Светодиодный индикатор RS-485 (1) и RS-485 (2):
при отсутствии обмена на линии – не светится;
при наличии обмена на линии – мигает с частотой обмена.
При конфигурировании повторителя интерфейса через программу «repeater.exe» возможно задать следующие параметры:
длина слова (символа): 5; 6; 7; 8 бит;
количество стоповых бит: 1; 1,5; 2 бита;
паритет: нет; четности; нечетности;
скорость: 1200; 1800; 2400; 4800; 7200; 9600; 14400; 19200; 38400; 56000; 57600.
При работе повторителя интерфейса с приборами Рубеж в процессе конфигурирования настраивается только параметр «скорость». Остальные параметры устанавливаются автоматически.
Характеристики:
Напряжение питания: от 10 до 14 В
Максимальное количество модулей в одной сети RS-485: 7
Максимальная длина линии RS-485 между двумя МС-ПИ, не более: 1000 м
Количество внешних интерфейсов для обмена и программирования:
типа RS-485: 2
типа USB: 1
Длина:
кабеля интерфейса RS-485, не более: 1000 м
кабеля интерфейса USB : до 2 м
Габаритные размеры модуля, не более: 125х78х37 мм
Масса, не более: 200 г
Рабочий диапазон температур: от 0 до плюс 40°С
Средний срок службы, не менее: 10 лет
Повторитель интерфейса МС-ПИ представляет собой цифровое электронное устройство, предназначенное для увеличения длины линии интерфейса RS-485 с помощью повторения принимаемого сигнала. Повторитель предназначен для использования с приборами «Рубеж-2АМ», «Рубеж 2ОП», «Рубеж-4А», ППКПУ серии «Водолей» или приборами других производителей, осуществляющими обмен по интерфейсу RS-485.
Повторитель интерфейса МС-ПИ обеспечивает:
удлинение интерфейса RS-485 и обмен информацией между приемно-контрольными приборами и компьютером, находящихся в разных частях одного интерфейса;
работу перекрестных связей между приемно-контрольными приборами, находящимися в одной сети RS-485;
cветодиодную индикацию наличия обмена в линии;
протяженность линии интерфейса RS-485 непосредственно после повторителя интерфейса не более 1000 м.
время технической готовности повторителя к работе после включения питания – не более 1 с.
На лицевой стороне прибора расположены светодиодные индикаторы, предназначенные для индикации текущего состояния повторителя.
Светодиодный индикатор СВЯЗЬ:
при подключении USB мигает с частотой 1 Гц;
при записи параметров через USB мигает с частотой 5 Гц;
при подключении питания светится постоянно.
Светодиодный индикатор RS-485 (1) и RS-485 (2):
при отсутствии обмена на линии – не светится;
при наличии обмена на линии – мигает с частотой обмена.
При конфигурировании повторителя интерфейса через программу «repeater.exe» возможно задать следующие параметры:
длина слова (символа): 5; 6; 7; 8 бит;
количество стоповых бит: 1; 1,5; 2 бита;
паритет: нет; четности; нечетности;
скорость: 1200; 1800; 2400; 4800; 7200; 9600; 14400; 19200; 38400; 56000; 57600.
При работе повторителя интерфейса с приборами Рубеж в процессе конфигурирования настраивается только параметр «скорость». Остальные параметры устанавливаются автоматически.
Характеристики:
Напряжение питания: от 10 до 14 В
Максимальное количество модулей в одной сети RS-485: 7
Максимальная длина линии RS-485 между двумя МС-ПИ, не более: 1000 м
Количество внешних интерфейсов для обмена и программирования:
типа RS-485: 2
типа USB: 1
Длина:
кабеля интерфейса RS-485, не более: 1000 м
кабеля интерфейса USB : до 2 м
Габаритные размеры модуля, не более: 125х78х37 мм
Масса, не более: 200 г
Рабочий диапазон температур: от 0 до плюс 40°С
Средний срок службы, не менее: 10 лет
Бренд
RUBEZH
Габариты: Ширина (м)
0.125
Габариты: Высота (м)
0.078
Габариты: Длина (м)
0.037
Габариты: вес (кг)
0.2
Наличие
Экономьте время на получении заказа. В интернет-магазине доступно 4 варианта доставки:
- Курьерская доставка работает с 9.00 до 19.00. Когда товар поступит на склад, курьерская служба свяжется для уточнения деталей. Специалист предложит выбрать удобное время доставки и уточнит адрес. Осмотрите упаковку на целостность и соответствие указанной комплектации.
- Самовывоз из магазина. Список торговых точек для выбора появится в корзине. Когда заказ поступит на склад, вам придет уведомление. Для получения заказа обратитесь к сотруднику в кассовой зоне и назовите номер.
- Постамат. Когда заказ поступит на точку, на ваш телефон или e-mail придет уникальный код. Заказ нужно оплатить в терминале постамата. Срок хранения — 3 дня.
- Почтовая доставка через почту России. Когда заказ придет в отделение, на ваш адрес придет извещение о посылке. Перед оплатой вы можете оценить состояние коробки: вес, целостность. Вскрывать коробку самостоятельно вы можете только после оплаты заказа. Один заказ может содержать не больше 10 позиций и его стоимость не должна превышать 100 000 р.






