МДУ-1 прот. R3 модуль управления клапаном дымоудаления (8 шт/уп) Рубеж; подключение всех основных типов приводов; передача информации в ПкП; контроль на обрыв цепи до концевых выключателей; контроль на обрыв и КЗ цепей внешних кнопок; светодиодная индикация; 1 клапан; нагрузчная способность 24 В DC, 2 А или 230 В AC, 0,25 А; питание от АЛС 24-36 В; -25 +60°С; 108*170*42 мм; 210 г.
Подробности
4 834 руб./шт
Есть в наличии в 1 магазине
Москва
В корзину
Купить в 1 клик
Рассчитать доставку
Хочу в подарок
Самовывоз - бесплатно; перемещение между филиалами - бесплатно; до терминала ТК довезём - бесплатно.
Цена действительна только для интернет-магазина и может отличаться от цен в розничных магазинах
Описание:
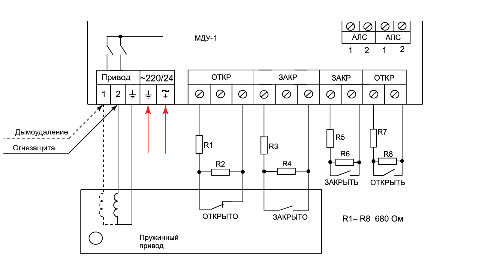
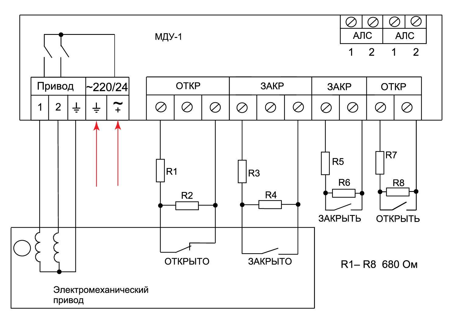
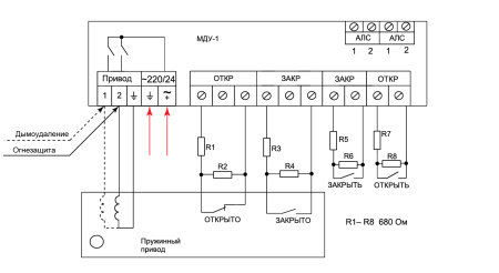
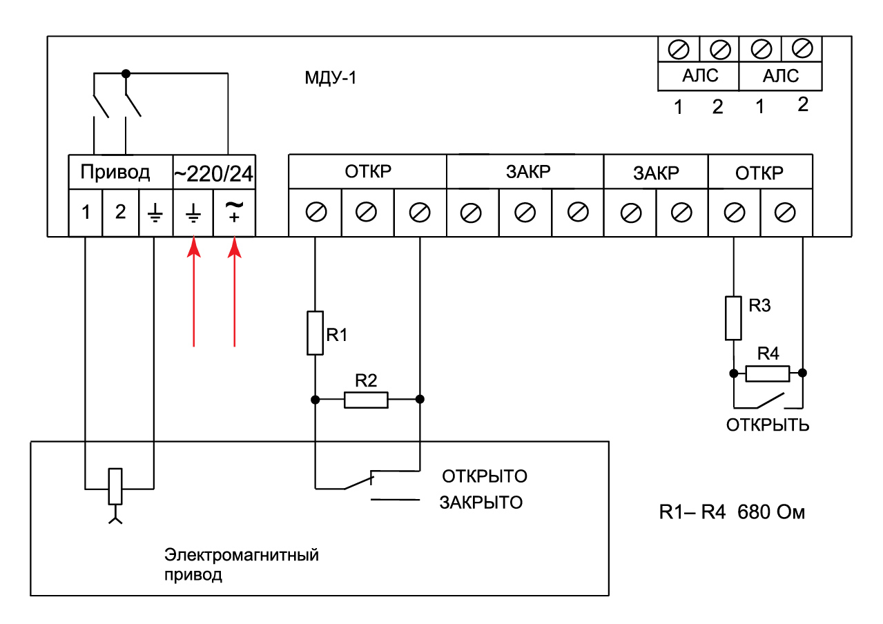
Модули управления клапаном дымоудаления или огнезадерживающим клапаном МДУ-1 прот.R3, МДУ-1С прот.R3 предназначен для управления заслонкой клапана в ручном режиме с выносных кнопок управления или в автоматическом режиме с приемно-контрольного прибора. Работает в составе адресной системы под управлением приемно-контрольного прибора «Рубеж-2ОП» прот.R3.
Модуль предназначен для управления следующими типами приводов клапана:
реверсивный электромеханический привод;
электромеханический привод с возвратной пружиной;
электромагнитный привод с ручным возвратом заслонки в нормальное положение.
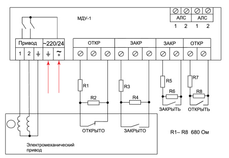
Модуль управления клапаном дымоудаления подает на электромеханический привод напряжение питания с помощью встроенного в модуль реле. Напряжение коммутации составляет 24 В постоянного тока или 230 В переменного тока. Выбор напряжения коммутации производится джампером Jp1, установленным на плате модуля. МДУ-1 прот.R3 отличается от МДУ-1С прот.R3 нагрузочной способностью реле, коммутирующим питание на привод. Параметры приведены в таблице технических характеристик. Остальные параметры и функции аналогичны.
МДУ-1 прот.R3 используется для управления приводами, рассчитанными на напряжение 24 или 220 В. Контроль положения заслонки клапана производится с помощью концевых выключателей, встроенных в электромеханический привод либо находящихся на заслонке.
Модуль управления клапаном дымоудаления обеспечивает:
подключение всех основных типов приводов, используемых с клапанами дымоудаления;
подключение устройства ручного перевода клапана в защитное или нормальное положение (кнопки);
передачу в прибор приемно-контрольный информации о своем состоянии и состоянии подключенного привода;
управление заслонкой клапана с приемно-контрольного прибора в автоматическом и ручном режиме;
контроль на обрыв цепи до концевых выключателей положения заслонки клапана и цепи обмоток электропривода; контроль на обрыв и КЗ цепей внешних кнопок ручного управления;
светодиодную индикацию режимов работы, положения заслонки, наличия связи с прибором.
Возможность перевода заслонки клапана в нормальное и охранное (защитное) положение в процессе настройки системы с помощью установленных на плате кнопок «ОТКР» и «ЗАКР».
Модуль управления клапаном МДУ-1 имеет возможность установки на DIN-рейку с помощью специальной крепежной планки (в комплект поставки не входит и комплектуется по отдельному заказу).
При подаче напряжения на соответствующую обмотку привода, заслонка клапана переводится либо в защитное положение, либо в нормальное положение. При достижении конечного положения или превышении времени движения – напряжение с привода снимается.
При подаче напряжения на обмотку привода, заслонка клапана переводится в нормальное положение и взводится возвратная пружина. При достижении конечного положения напряжение с привода не снимается, удерживая его во взведенном положении. При снятии напряжения клапан под действием пружины переводится в защитное положение.
Переход в защитное положение осуществляется после подачи напряжения на электромагнитный фиксатор, удерживающий заслонку в нормальном положении. Напряжение с фиксатора снимается либо при поступлении сигнала «заслонка открыта» либо по истечении заданного времени. Перевод заслонки в нормальное положение производится вручную.
Характеристики:
Количество управляемых клапанов: 1
Питание: от АЛС (24-36 В)
Ток, потребляемый от АЛС, не более 0,3 мА
Напряжение питания МДУ-1 прот.R3 и МДУ-1С прот.R3 при управлении:
приводом на 24 В DC
приводом на 230 В AC
ист. питания 24±4В
сеть 220 В, 50 Гц
Нагрузочная способность реле:
МДУ-1 прот.R3
МДУ-1C прот.R3
24 В DC, 2 А или 230 В AC, 0,25 А
24 В DC, 5 А или 230 В AC, 5 А
Ток, протекающий по цепям контроля, не более 1,5 мА
Длина соединений до кнопок управления, не более: 30 м
Габаритные размеры модуля, не более: 108×170×42 мм
Масса, не более: 210 г
Рабочий диапазон температур: от -25 до +60°С
Средний срок службы, не менее: 10 лет
Модули управления клапаном дымоудаления или огнезадерживающим клапаном МДУ-1 прот.R3, МДУ-1С прот.R3 предназначен для управления заслонкой клапана в ручном режиме с выносных кнопок управления или в автоматическом режиме с приемно-контрольного прибора. Работает в составе адресной системы под управлением приемно-контрольного прибора «Рубеж-2ОП» прот.R3.
Модуль предназначен для управления следующими типами приводов клапана:
реверсивный электромеханический привод;
электромеханический привод с возвратной пружиной;
электромагнитный привод с ручным возвратом заслонки в нормальное положение.
Модуль управления клапаном дымоудаления подает на электромеханический привод напряжение питания с помощью встроенного в модуль реле. Напряжение коммутации составляет 24 В постоянного тока или 230 В переменного тока. Выбор напряжения коммутации производится джампером Jp1, установленным на плате модуля. МДУ-1 прот.R3 отличается от МДУ-1С прот.R3 нагрузочной способностью реле, коммутирующим питание на привод. Параметры приведены в таблице технических характеристик. Остальные параметры и функции аналогичны.
МДУ-1 прот.R3 используется для управления приводами, рассчитанными на напряжение 24 или 220 В. Контроль положения заслонки клапана производится с помощью концевых выключателей, встроенных в электромеханический привод либо находящихся на заслонке.
Модуль управления клапаном дымоудаления обеспечивает:
подключение всех основных типов приводов, используемых с клапанами дымоудаления;
подключение устройства ручного перевода клапана в защитное или нормальное положение (кнопки);
передачу в прибор приемно-контрольный информации о своем состоянии и состоянии подключенного привода;
управление заслонкой клапана с приемно-контрольного прибора в автоматическом и ручном режиме;
контроль на обрыв цепи до концевых выключателей положения заслонки клапана и цепи обмоток электропривода; контроль на обрыв и КЗ цепей внешних кнопок ручного управления;
светодиодную индикацию режимов работы, положения заслонки, наличия связи с прибором.
Возможность перевода заслонки клапана в нормальное и охранное (защитное) положение в процессе настройки системы с помощью установленных на плате кнопок «ОТКР» и «ЗАКР».
Модуль управления клапаном МДУ-1 имеет возможность установки на DIN-рейку с помощью специальной крепежной планки (в комплект поставки не входит и комплектуется по отдельному заказу).
При подаче напряжения на соответствующую обмотку привода, заслонка клапана переводится либо в защитное положение, либо в нормальное положение. При достижении конечного положения или превышении времени движения – напряжение с привода снимается.
При подаче напряжения на обмотку привода, заслонка клапана переводится в нормальное положение и взводится возвратная пружина. При достижении конечного положения напряжение с привода не снимается, удерживая его во взведенном положении. При снятии напряжения клапан под действием пружины переводится в защитное положение.
Переход в защитное положение осуществляется после подачи напряжения на электромагнитный фиксатор, удерживающий заслонку в нормальном положении. Напряжение с фиксатора снимается либо при поступлении сигнала «заслонка открыта» либо по истечении заданного времени. Перевод заслонки в нормальное положение производится вручную.
Характеристики:
Количество управляемых клапанов: 1
Питание: от АЛС (24-36 В)
Ток, потребляемый от АЛС, не более 0,3 мА
Напряжение питания МДУ-1 прот.R3 и МДУ-1С прот.R3 при управлении:
приводом на 24 В DC
приводом на 230 В AC
ист. питания 24±4В
сеть 220 В, 50 Гц
Нагрузочная способность реле:
МДУ-1 прот.R3
МДУ-1C прот.R3
24 В DC, 2 А или 230 В AC, 0,25 А
24 В DC, 5 А или 230 В AC, 5 А
Ток, протекающий по цепям контроля, не более 1,5 мА
Длина соединений до кнопок управления, не более: 30 м
Габаритные размеры модуля, не более: 108×170×42 мм
Масса, не более: 210 г
Рабочий диапазон температур: от -25 до +60°С
Средний срок службы, не менее: 10 лет
Бренд
RUBEZH
Габариты: Ширина (м)
0.17
Габариты: Высота (м)
0.108
Габариты: Длина (м)
0.042
Габариты: вес (кг)
0.22
Наличие
Экономьте время на получении заказа. В интернет-магазине доступно 4 варианта доставки:
- Курьерская доставка работает с 9.00 до 19.00. Когда товар поступит на склад, курьерская служба свяжется для уточнения деталей. Специалист предложит выбрать удобное время доставки и уточнит адрес. Осмотрите упаковку на целостность и соответствие указанной комплектации.
- Самовывоз из магазина. Список торговых точек для выбора появится в корзине. Когда заказ поступит на склад, вам придет уведомление. Для получения заказа обратитесь к сотруднику в кассовой зоне и назовите номер.
- Постамат. Когда заказ поступит на точку, на ваш телефон или e-mail придет уникальный код. Заказ нужно оплатить в терминале постамата. Срок хранения — 3 дня.
- Почтовая доставка через почту России. Когда заказ придет в отделение, на ваш адрес придет извещение о посылке. Перед оплатой вы можете оценить состояние коробки: вес, целостность. Вскрывать коробку самостоятельно вы можете только после оплаты заказа. Один заказ может содержать не больше 10 позиций и его стоимость не должна превышать 100 000 р.
Новости






