РМ-4-R3 адресный модуль релейный (10 шт/уп) Рубеж; конфигурация с компьютера/ПкП; обеспечивает подключение любых исполнительных устройств АСУТП; светодиодная индикация; питание и передача сигналов по униполярной линии связи; включение по событиям; питание от АЛС 24-36 В; 0,18 мА; -25 до +55°С; 84*125*37 мм; 100 г.
Подробности
3 675 руб./шт
Есть в наличии в 5 магазинах
НовосибирскБарнаулБийскКемеровоМосква
В корзину
Купить в 1 клик
Рассчитать доставку
Хочу в подарок
Самовывоз - бесплатно; перемещение между филиалами - бесплатно; до терминала ТК довезём - бесплатно.
Цена действительна только для интернет-магазина и может отличаться от цен в розничных магазинах
Описание:
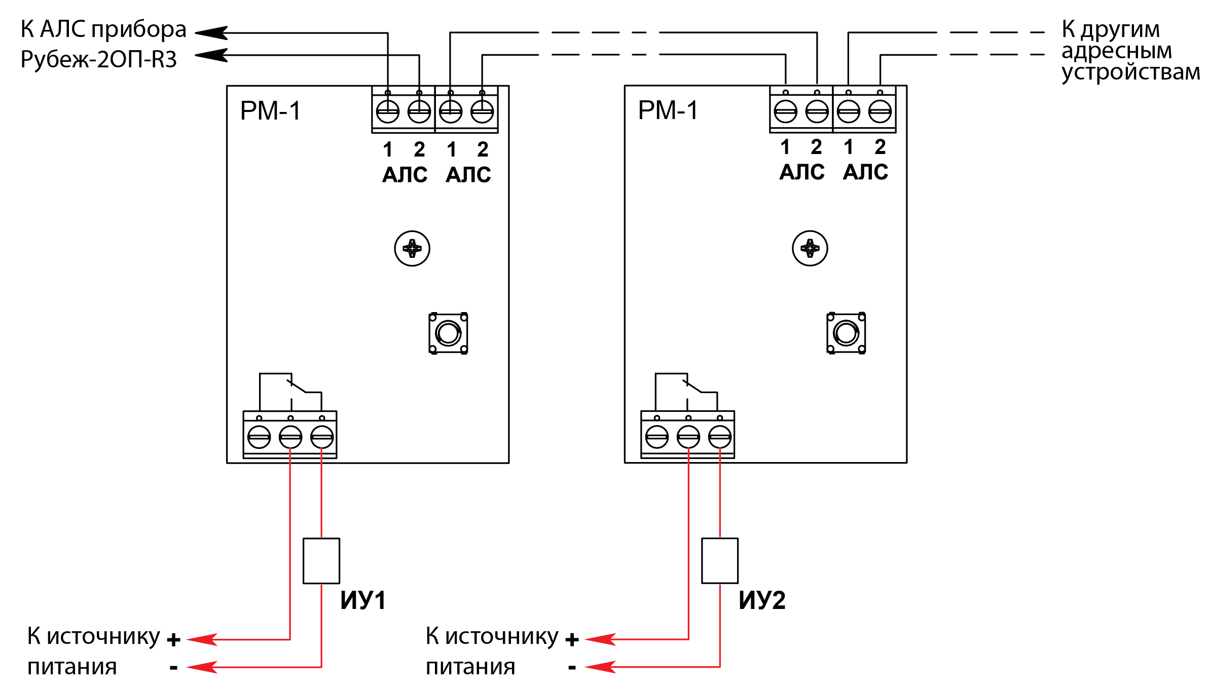
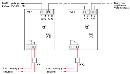
Адресный релейный модуль РМ-1 прот.R3, РМ-1С прот.R3, РМ-4 прот.R3 предназначен для управления исполнительными устройствами, входящими в состав системы пожарной сигнализации. Работает в составе адресной системы под управлением приемно-контрольного прибора «Рубеж-2ОП» прот.R3.
Адресный релейный модуль является программируемым устройством. Конфигурация задается пользователем при конфигурации системы с компьютера или с приемно-контрольного прибора.
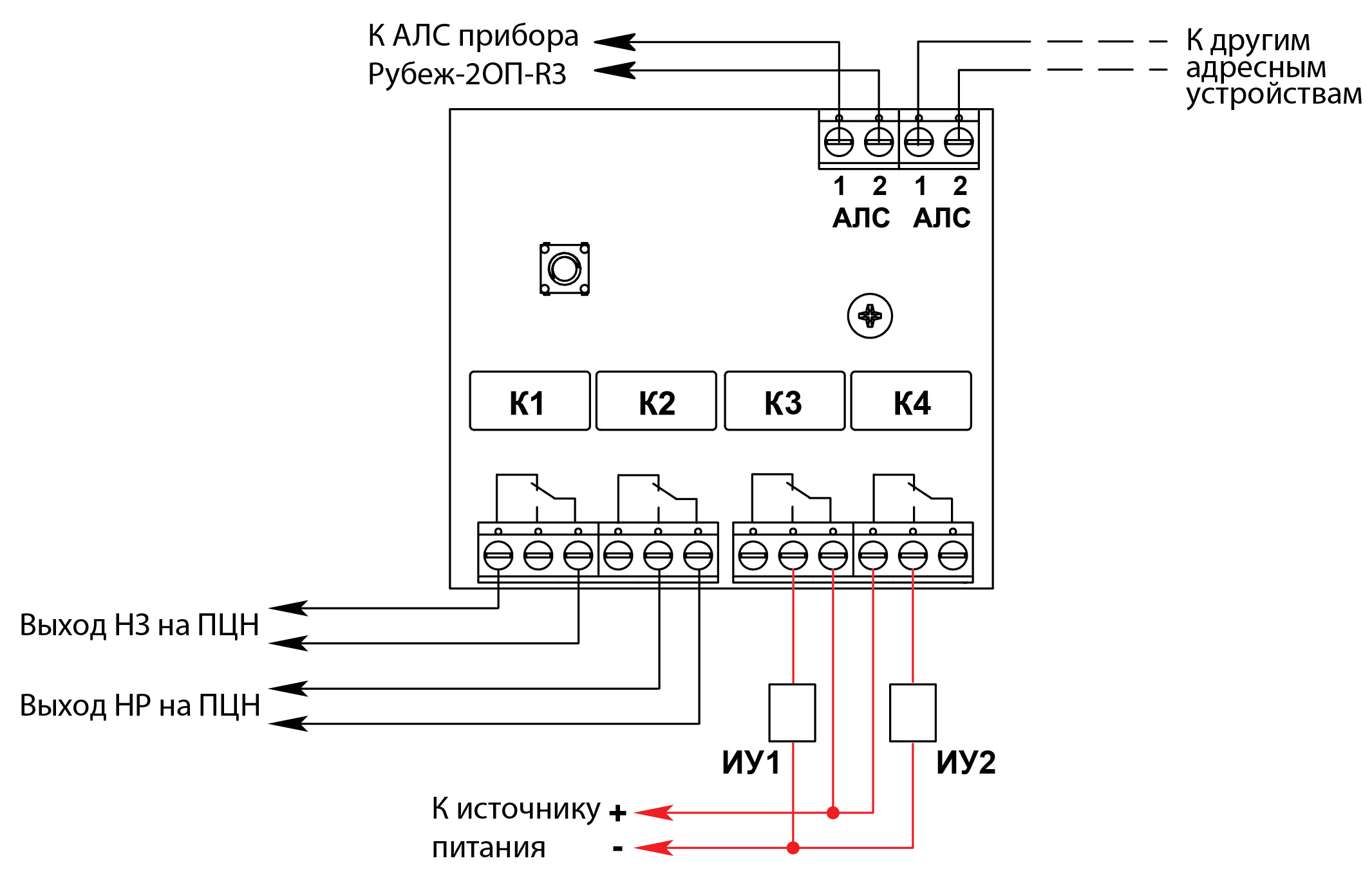
Релейный модуль представляет собой дистанционно управляемый переключатель. Функционально релейный модуль РМ-4 прот.R3 представляет собой четыре отдельных логических устройства (четыре отдельных реле), каждое из которых занимает в системе свой адрес.
Адресный релейный модуль обеспечивает подключение любых исполнительных устройств АСУТП, управление которыми возможно на релейном уровне, напряжение и ток потребления которых удовлетворяют техническим характеристикам реле. Кроме этого, релейный модуль позволяет организовать передачу различных состояний системы на стороннее оборудование и ПЦН.
Релейный модуль имеет светодиодную индикацию наличия связи с приемно-контрольным прибором и индикацию включенного состояния реле.
Питание релейного модуля и передача сигналов на приемно-контрольный прибор осуществляются по униполярной адресной линии связи.
Релейный модуль РМ-1 прот.R3, РМ-1С прот.R3 и РМ-4 прот.R3 имеет возможность установки на DIN-рейку с помощью специальной крепежной планки (в комплект поставки не входит и комплектуется по отдельному заказу).
Включение реле возможно по различным событиям в системе (зоне), например, пожар, внимание, включение автоматики МПТ, включение модуля пожаротушения, тревога, поставлен на охрану, снят с охраны, лампа, сработка устройств (АМ-1Т, МДУ-1, ШУЗ) и т. д.
Характеристики
Питание от АЛС: (24-36 В)
Количество релейных выходов РМ-4 прот.R3 : 4
Ток потребления в дежурном режиме РМ-4 прот.R3 не более: 0,38 мА
Каждое реле модуля РМ-4 прот.R3 коммутирует:
–постоянный ток, напряжением 24 В: до 2 А
–переменный ток, напряжением 230 В: до 0,25 А
Габаритные размеры модуля РМ-4 прот.R3 не более: 84×125×37 мм
Масса РМ-4 прот.R3, не более: 28 г
Рабочий диапазон температур: от -25 до +55°С
Средний срок службы, не менее: 10 лет
Адресный релейный модуль РМ-1 прот.R3, РМ-1С прот.R3, РМ-4 прот.R3 предназначен для управления исполнительными устройствами, входящими в состав системы пожарной сигнализации. Работает в составе адресной системы под управлением приемно-контрольного прибора «Рубеж-2ОП» прот.R3.
Адресный релейный модуль является программируемым устройством. Конфигурация задается пользователем при конфигурации системы с компьютера или с приемно-контрольного прибора.
Релейный модуль представляет собой дистанционно управляемый переключатель. Функционально релейный модуль РМ-4 прот.R3 представляет собой четыре отдельных логических устройства (четыре отдельных реле), каждое из которых занимает в системе свой адрес.
Адресный релейный модуль обеспечивает подключение любых исполнительных устройств АСУТП, управление которыми возможно на релейном уровне, напряжение и ток потребления которых удовлетворяют техническим характеристикам реле. Кроме этого, релейный модуль позволяет организовать передачу различных состояний системы на стороннее оборудование и ПЦН.
Релейный модуль имеет светодиодную индикацию наличия связи с приемно-контрольным прибором и индикацию включенного состояния реле.
Питание релейного модуля и передача сигналов на приемно-контрольный прибор осуществляются по униполярной адресной линии связи.
Релейный модуль РМ-1 прот.R3, РМ-1С прот.R3 и РМ-4 прот.R3 имеет возможность установки на DIN-рейку с помощью специальной крепежной планки (в комплект поставки не входит и комплектуется по отдельному заказу).
Включение реле возможно по различным событиям в системе (зоне), например, пожар, внимание, включение автоматики МПТ, включение модуля пожаротушения, тревога, поставлен на охрану, снят с охраны, лампа, сработка устройств (АМ-1Т, МДУ-1, ШУЗ) и т. д.
Характеристики
Питание от АЛС: (24-36 В)
Количество релейных выходов РМ-4 прот.R3 : 4
Ток потребления в дежурном режиме РМ-4 прот.R3 не более: 0,38 мА
Каждое реле модуля РМ-4 прот.R3 коммутирует:
–постоянный ток, напряжением 24 В: до 2 А
–переменный ток, напряжением 230 В: до 0,25 А
Габаритные размеры модуля РМ-4 прот.R3 не более: 84×125×37 мм
Масса РМ-4 прот.R3, не более: 28 г
Рабочий диапазон температур: от -25 до +55°С
Средний срок службы, не менее: 10 лет
Бренд
RUBEZH
Габариты: Ширина (м)
0.125
Габариты: Высота (м)
0.037
Габариты: Длина (м)
0.084
Габариты: вес (кг)
0.15
Наличие
Экономьте время на получении заказа. В интернет-магазине доступно 4 варианта доставки:
- Курьерская доставка работает с 9.00 до 19.00. Когда товар поступит на склад, курьерская служба свяжется для уточнения деталей. Специалист предложит выбрать удобное время доставки и уточнит адрес. Осмотрите упаковку на целостность и соответствие указанной комплектации.
- Самовывоз из магазина. Список торговых точек для выбора появится в корзине. Когда заказ поступит на склад, вам придет уведомление. Для получения заказа обратитесь к сотруднику в кассовой зоне и назовите номер.
- Постамат. Когда заказ поступит на точку, на ваш телефон или e-mail придет уникальный код. Заказ нужно оплатить в терминале постамата. Срок хранения — 3 дня.
- Почтовая доставка через почту России. Когда заказ придет в отделение, на ваш адрес придет извещение о посылке. Перед оплатой вы можете оценить состояние коробки: вес, целостность. Вскрывать коробку самостоятельно вы можете только после оплаты заказа. Один заказ может содержать не больше 10 позиций и его стоимость не должна превышать 100 000 р.






