Есть в наличии
Барнаул
Код: 88041
ШПС-12 исп.20 шкаф пожарной сигнализации Болид; встроенный блок коммутации БК-12-RS485; 7 выходов для подключения к приборам внутреннего интерфейса RS-485 и 7 выходов питания; 2 ввода питания; U-вх.180…265 В, U-вых.13.6±6 В; I-ном.5 А, I-макс.5.5 А, под два АКБ 12 В 26/40 А·ч; IP41; -10...+40°С; 700×600×225 мм; 48 кг.
32 103.81 руб./шт
В корзину
Купить в 1 клик
Есть в наличии
НовосибирскБарнаулКрасноярск
Код: 45723
УДП 513-10 исп.01 "Аварийный выход" зеленый (20 шт/уп) Рубеж; устройство дистанционного пуска; напряжение питания от 9 до 30 В; ток потребления 50 мкА; IP31; -40...+60°С; 85х88х46 мм; 150 г.
1 021 руб./шт
В корзину
Купить в 1 клик
Есть в наличии
НовосибирскБарнаулМосква
Код: 88807
FLX-S-ST извещатель охранный объемный оптико-электронный Optex; зона обнаружения "объем" 12 м х 85° или «штора» дальностью 18 м х 5°; U-пит. 9.5...16 В; I-потр. 11 мА; –20...+50°C; 130x62х56 мм; 120 г.
1 900 руб./шт
В корзину
Купить в 1 клик
Есть в наличии
Барнаул
Код: 38406
ГОА-II-0,35-020-020 генератор огнетушащего аэрозоля; максимальный защищаемый объем 17.5 м.куб.; время выпуска 15...25 сек.; ток срабатывания 200 мА; -50...+50°С; 123x317 мм.
6 753 руб./шт
В корзину
Купить в 1 клик
Есть в наличии
Барнаул
Код: 69485
ГОА-II-1,10-020-010 генератор огнетушащего аэрозоля; максимальный защищаемый объем условно герметичного помещения 55 м.куб; масса аэрозолеобразующего огнетушащего состава (АОС) 1.1 кг; инерционность не более 2 с; время выпуска 9…11 с; I-пуск.150 мА; -50...+50°С; 236х364х223 мм.
14 875 руб./шт
В корзину
Купить в 1 клик
Есть в наличии
БарнаулКемерово
Код: 88460
ШПС-12 исп.21 шкаф пожарной сигнализации; с резервированным источником питания; выходное напряжение от сети 13,6±0,6; две изолированные линии интерфейса RS-485; 7 выходных каналов 12В; IР41; 700x600x225 мм; 48 кг.
34 693.75 руб./шт
В корзину
Купить в 1 клик
Есть в наличии
НовосибирскБийскКемерово
Код: 80967
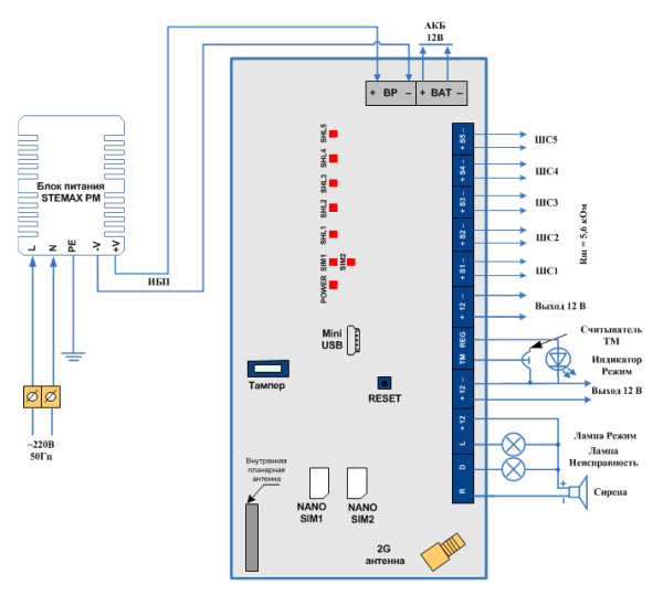
STEMAX SX510 контроллер охранного мониторинга с поддержкой сетей сотовой связи поколения 2.5G; внутренняя планарная GSM-антенна; методы передачи информации TCP/IP GPRS, SMS; основное питание 100–264 В, резервное от АКБ 2,3 А⋅ч/12 В; 5 охранных шлейфов сигнализации; 5 логических разделов; –40...+55°С; 242х170х50 мм.
9 500 руб./шт
В корзину
Купить в 1 клик
Есть в наличии
НовосибирскБарнаулКемеровоКрасноярск
Код: 86778
МС-Р радиоудлинитель интерфейса (5 шт/уп) Рубеж; 60 мА; RS-485; ANTENNA; IР20; 125х84х37 мм; 200 г.
22 453 руб./шт
В корзину
Купить в 1 клик
Есть в наличии
НовосибирскБарнаулКемеровоКрасноярскИркутск
Код: 86661
STEMAX PM2014 S (MX, SX, А8) блок питания; защита от короткого замыкания, перегрузки, перенапряжения, перегрева; входное напряжение DC 120...370 В; выходной ток до 1.4 А; выходная мощность 20 Вт; –40...+55°С; 78x51x33 мм.
1 500 руб./шт
В корзину
Купить в 1 клик
Есть в наличии
НовосибирскБарнаулБийскМосква
Код: 84187
ЗСК 212 защитный кожух для громкоговорителя Соната; сталь; 200х300х120 мм; 1,14 кг.
1 170 руб./шт
В корзину
Купить в 1 клик
Есть в наличии
НовосибирскБарнаулБийскКрасноярск
Код: 83715
ЗСК 215 защитный кожух для громкоговорителя Глагол Н1-1,Н1-3, Н1-5; сталь; 260х220х125 мм; 1.06 кг.
1 170 руб./шт
В корзину
Купить в 1 клик
Есть в наличии
Барнаул
Код: 83573
ЗСК 113 защитный кожух для ручных пожарных извещателей ИП 535-50В "Север"; сталь; 180х180х100 мм; 0,6 кг.
1 190 руб./шт
В корзину
Купить в 1 клик
Есть в наличии
БарнаулКемерово
Код: 81679
ЗСК 214 защитный кожух для громкоговорителя Орфей-Р исп.2, Орфей-ПРО; сталь; 270х270х120 мм; 0,95 кг.
1 170 руб./шт
В корзину
Купить в 1 клик
Есть в наличии
НовосибирскБарнаул
Код: 80735
ЗСК 110 защитный кожух для извещателя ИПДЛ; сталь; 180х170х140 мм; 0,8 кг.
1 190 руб./шт
В корзину
Купить в 1 клик
Есть в наличии
НовосибирскБарнаулБийск
Код: 77407
ЗСК 216 защитный сетчатый кожух для громкоговорителя Глагол Н-2-3, Н-2-5; сталь; 330х240х160 мм; 1,23 кг.
1 170 руб./шт
В корзину
Купить в 1 клик
Есть в наличии
Кемерово
Код: 77406
ЗСК 105 защитный сетчатый кожух для АМУР-И и АМУР-Р; сталь; 255х310х80 мм; 1,10 кг.
1 125 руб./шт
В корзину
Купить в 1 клик
Есть в наличии
НовосибирскБарнаулКемерово
Код: 74938
ЗСК 210 защитный сетчатый кожух для громкоговорителя; сталь; 200х260х100 мм; 0,94 кг.
1 170 руб./шт
В корзину
Купить в 1 клик
Есть в наличии
НовосибирскБарнаул
Код: 61447
ЗСК 109 защитный сетчатый кожух для пожарных извещателей c открывающейся крышкой (ИПР); сталь; 150х150х160 мм; 0,63 кг.
1 190 руб./шт
В корзину
Купить в 1 клик
Есть в наличии
НовосибирскБарнаулМосква
Код: 79877
ЗСК 106 защитный кожух для АМУР-И и АМУР-Р; сталь; 150х150х80 мм; 0,59 кг.
1 190 руб./шт
В корзину
Купить в 1 клик
Есть в наличии
НовосибирскБарнаулКемерово
Код: 75390
ЗСК 107 защитный кожух для ИПДЛ-Д-II/4Р, АВРОРА-ДО-ПРО; сталь; 140х140х120 мм; 0,59 кг.
1 190 руб./шт
В корзину
Купить в 1 клик

















